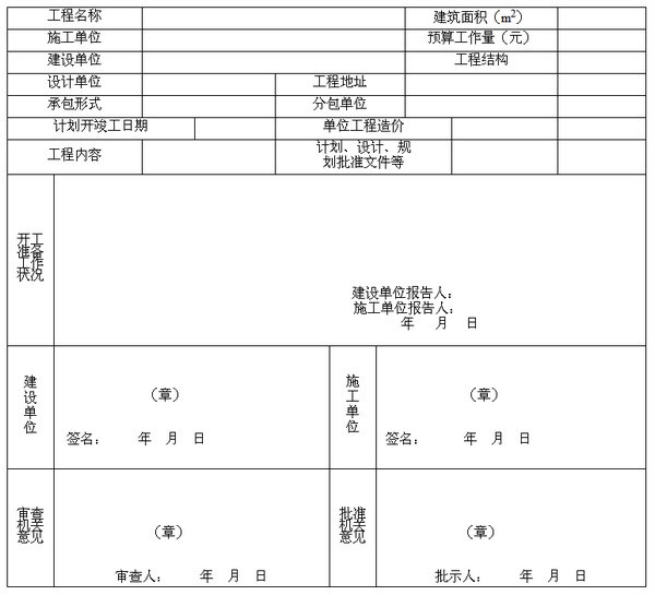
工程项目开工报告范本是工程开工前必备的报告文本,格式标准,开工报告要求写明工程名称、开工日期、计划竣工日期、工程主要内容及工程量、工程准备情况等,需要的朋友可以下载。

工程开工前需要准备哪些东西?
1、建设工程规划许可证(包括附件);
2、建设工程开工审查表;
3、建设工程施工许可证;
4、规划部门签发的建筑红线验线通知书;
5、在指定监督机构办理的具体监督业务手续;
6、经建设行政主管部门审查批准的设计图纸及设计文件;
7、建筑工程施工图审查备案证书;
8、图纸会审纪要;
9、施工承包合同(副本);
10、水准点、坐标点等原始资料;
11、工程地质勘察报告、水文地质资料;
12、建设单位驻工地代表授权书;
13、建设单位与相关部门签订的协议书。
施工单位需要搞定
1、施工企业资质证书、营业执照及注册号;
2、国家企业等级证书、信用等级证书;
3、施工企业安全资格审查认可证;
4、企业法人代码书;
5、质量体系认证书;
6、施工单位的试验室资质证书;
7、工程预标书、工程中标价明细表;
8、工程项目经理、主任工程师及管理人员资格证书、上岗证。(上述资料均为复印件)
9、建设工程特殊工种人员上岗证审查表及上岗证复印件。(安全员、电工须持建设行业与劳动部门双证)
10、建设单位提供的水准点和坐标点复核记录;
11、施工组织设计报审与审批,施工组织设计方案;
12、施工现场质量管理检查记录;
13、建设工程开工报告。
最先做的就是施工组织设计、公司资质、相关管理人员证书、报实验室资质、和办理施工许可证、报开工报告。


360解压缩软件2023
看图王2345下载|2345看图王电脑版 v10.9官方免费版
WPS Office 2019免费办公软件
QQ浏览器2023 v11.5绿色版精简版(去广告纯净版)
下载酷我音乐盒2023
酷狗音乐播放器|酷狗音乐下载安装 V2023官方版
360驱动大师离线版|360驱动大师网卡版官方下载 v2023
【360极速浏览器】 360浏览器极速版(360急速浏览器) V2023正式版
【360浏览器】360安全浏览器下载 官方免费版2023 v14.1.1012.0
【优酷下载】优酷播放器_优酷客户端 2019官方最新版
腾讯视频播放器2023官方版
【下载爱奇艺播放器】爱奇艺视频播放器电脑版 2022官方版
2345加速浏览器(安全版) V10.27.0官方最新版
【QQ电脑管家】腾讯电脑管家官方最新版 2024
360安全卫士下载【360卫士官方最新版】2023_v14.0