出货单据电子模板是一种用于在货物出库时打印的文件模板,主要为我们在方便库管、财务和客户留存,并提供清晰的出货记录和交易信息。出货单据电子模板提供了一个简单而专业的方式来生成个性化的出货单据。用户可以根据自己的需求,在已有的模板上进行自定义,包括添加公司名称、地址、联系方式等信息,以及填写货物的详细信息,如货物名称、数量、单价等,方便记录和追踪每一笔出货交易。

出货单样本介绍
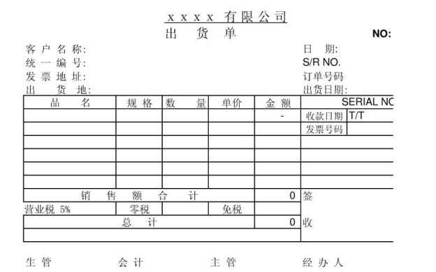
出货单就是记录货品出库信息的单据,在有些公司也称为送货单。出货单一般分为电子出货单和纸质出货单,纸质出货单通常为三联电脑打印纸。
出货单基本内容
1.购货单位(公司或个人);
2.日期时间;
3.货品名称、规格、数量、单价、金额等;
4.收货人;
5.发货人;
6.出库单编号。
相关介绍
为了保证清楚地记录出货情况,对出货的管理就很重要,而在有些的系统中,凭证、收付款是根据出货单自动一环扣一环地切制,故详细输入出货单资料后,存货的数量、成本会随着改变,收付账款也会跟着你的立账方式变化;凭证亦会随着“您是否立即产生凭证”变化。
出货单据电子模板是一种方便、简单且实用的工具,可以帮助用户轻松生成和管理出货单据。它提供了个性化定制、自动编号和日期、可视化编辑等功能,使出货流程的记录和管理更加高效和专业。无论您是个人出售货物还是企业进行批量出货,电子模板的出货单据都能为您提供便捷和可靠的出货记录和打印解决方案。
上一篇:12g6141图集电子版


360解压缩软件2023
看图王2345下载|2345看图王电脑版 v10.9官方免费版
WPS Office 2019免费办公软件
QQ浏览器2023 v11.5绿色版精简版(去广告纯净版)
下载酷我音乐盒2023
酷狗音乐播放器|酷狗音乐下载安装 V2023官方版
360驱动大师离线版|360驱动大师网卡版官方下载 v2023
【360极速浏览器】 360浏览器极速版(360急速浏览器) V2023正式版
【360浏览器】360安全浏览器下载 官方免费版2023 v14.1.1012.0
【优酷下载】优酷播放器_优酷客户端 2019官方最新版
腾讯视频播放器2023官方版
【下载爱奇艺播放器】爱奇艺视频播放器电脑版 2022官方版
2345加速浏览器(安全版) V10.27.0官方最新版
【QQ电脑管家】腾讯电脑管家官方最新版 2024
360安全卫士下载【360卫士官方最新版】2023_v14.0