迅捷CAD看图最新版是一款能够对CAD图纸文件进行查看、编辑、打印、转换的电脑看图软件,支持多种图纸格式的浏览,包括DWG、DXF、DWF等。其功能强大,操作简单,让用户可以轻松地浏览、查看和比较多种格式的CAD图纸。同时它还支持标注、测量、镜像、旋转、平移等操作,方便用户进行各种CAD图纸相关操作。其中还提供了快速查找和打印功能,用户可以快速定位需要的图纸并进行打印。有需要的用户不妨来下载试试看吧!

迅捷CAD看图最新版软件特色
功能全面:可以实现CAD图纸的查看、编辑、打印,支持CAD与PDF,JPG等格式的转换。
全面兼容:软件支持不同版本CAD文件,支持DWG、DWT、DXF等格式的图纸文件
启动快速:软件体积小,启动快,能快速浏览CAD图纸,并支持图纸的简易编辑修改操作。
超强输出:软件具有多种输出格式,可将图纸保存为不同格式,不同版本的CAD文件,支持将CAD转换成PDF、JPG等文件。

迅捷CAD看图最新版怎么打印图纸
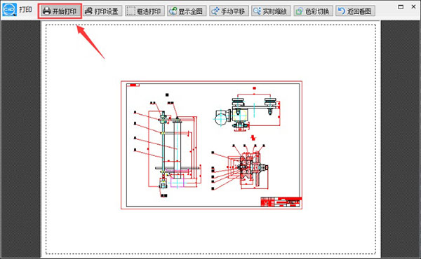
1、CAD文件打开之后,将图纸预览查看后移动到CAD快速看图的适当位置中,选择上方工具栏中的“打印和预览”属性选项进行图纸的打印。

2、之后界面就会跳转到“打印”界面中,在点击界面中的“打印设置”选项,对要打印的纸张大小以及方向进行设置。大家在根据图纸的打印要求来进行相应的设置。

3、然后,我们就可以点击“打印”界面中的“开始打印”按钮,就可以在CAD快速看图中将图纸打印和预览了。

迅捷CAD看图最新版常见问题
1、CAD看图软件有什么作用?
答: CAD看图软件可以脱离AutoCAD快速浏览DWG、DXF图纸文件,避免了打开庞大的CAD软件来看图的麻烦,极大提高工作效率。
2、如何操作?
答: 安装CAD看图软件后,点击「打开」按钮选择CAD图纸打开就可以,左侧面板还支持平移、缩放、测量、标注等功能。
3、对于100M以上的大容量CAD图纸,CAD看图软件能打开吗?
答:支持浏览大容量的CAD图纸,即使你的电脑配置一般,打开和浏览大容量CAD图纸也毫无压力。
4、如何缩放图纸大小?
答:支持三种缩放方式,打开CAD图纸后,点击左侧面板的三个放大镜按钮就可以缩放图纸大小。
5、可以对图纸进行标注吗?
答:可以。点击左侧面板的「标注」按钮,选取指定区域就可以进行标注。
6、CAD看图软件的显示效果如何?
答:采用了专业的图形引擎,可完整显示图纸布局,识别每个图块。
7、有哪些功能?
答:提供了平移、缩放、标注、测量、画直线等功能。
8、支持哪些格式的转换?
答:支持DXF、DWG、PDF、JPG等格式的转换。
9、如何测量尺寸?
答:打开CAD图纸后,点击左侧面板的「测量」按钮,然后选取两个点,就可以测量出两点间的距离。
10.CAD看图软件可以设置CAD文件背景吗?
答:用CAD看图软件打开CAD图纸后,可点击「设置」按钮设置CAD文件背景。
上一篇:迅捷CAD编辑器免费版
下一篇:源泉建筑CAD插件


360解压缩软件2023
看图王2345下载|2345看图王电脑版 v10.9官方免费版
WPS Office 2019免费办公软件
QQ浏览器2023 v11.5绿色版精简版(去广告纯净版)
下载酷我音乐盒2023
酷狗音乐播放器|酷狗音乐下载安装 V2023官方版
360驱动大师离线版|360驱动大师网卡版官方下载 v2023
【360极速浏览器】 360浏览器极速版(360急速浏览器) V2023正式版
【360浏览器】360安全浏览器下载 官方免费版2023 v14.1.1012.0
【优酷下载】优酷播放器_优酷客户端 2019官方最新版
腾讯视频播放器2023官方版
【下载爱奇艺播放器】爱奇艺视频播放器电脑版 2022官方版
2345加速浏览器(安全版) V10.27.0官方最新版
【QQ电脑管家】腾讯电脑管家官方最新版 2024
360安全卫士下载【360卫士官方最新版】2023_v14.0